B Tip Lastik Takoz Pullu 150x50
B Tip Lastik Takoz Pullu 150x50
B Tip Lastik Takoz Pullu 150x50

B Tip Lastik Takoz Pullu 150x50

İndirim Oranı : %21 İndirim
Fiyat : ₺1.240,31(KDV Dahil)
İndirimli : ₺976,74(KDV Dahil)
₺976,74 `den başlayan taksitlerle

Adet

Artır Azalt

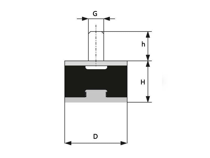
B Tip Lastik Takoz Pullu

Büyük Çap (D) 150

Yükseklik (H) 50

Cıvata Çapı (G) M20

 

Cıvatalı titreşim sömünleyici olarak da geçer.Vibrasyon takozu, titreşim takozu yada titreşim önleyici olarak da bilinir.Kauçuk malzemenin etkisiyle titreşimi emerler. Birbirine bağlı çalışan parçalar arası çarpma ve darbeye karşı koruma sağlarlar. Titreşimden kaynaklanan sürtünmeyi önlerler.

.

cultureSettings.RegionId: 0 cultureSettings.LanguageCode: TR